4 pcs left

***IMPORTANT***
Before you can start using the LED Magician, please select the correct input voltage by shorting the connections labelled "8-28V" or "4.5V".


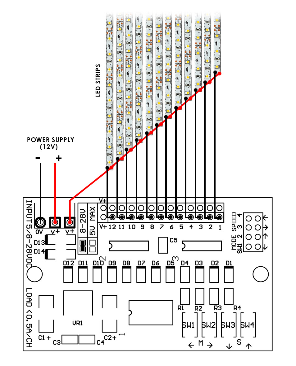
LED Magician Installation instructions
  1. Connect power supply’s negative (-) to terminal labelled “V0”
  2. Connect power supply’s positive (+) to terminal labelled “V+”
  3. Connect LED(s) anode (+) to output terminals labbelled “V+”
  4. Connect LED(s) cathode (-) to output terminals labbelled “1” to “12”
  5. Control sequences via onboard control buttons.

LED Magician Connection Diagrams

You can connect the positive (+) and negative (-) of your LED(s) from each channel output. (example 1)
Example 1.

Or you can connect the negative (-) of your LED(s) to the channel output and share the positive output on your LEDs, please see example 2 below. Both methods work the same.

Example 2.
On Board Buttons

Use button 1 & 2 to select blinking sequences. Up to 32 sequences are selectable. Press and hold for 2 seconds to reset to default sequence (Default sequence cycles through all 32 sequences)
Use button 3 & 4 to select speed. Up to 8 speeds are selectable. Press and hold for 2 seconds to reset to default speed.
List of Blinking/Fading Sequences (32 modes)
  1. LOOP ALL MODES
  2. COMET
  3. COMET BACK AND FORTH
  4. TRAIN
  5. TRAIN BACK AND FORTH
  6. BOUNCE
  7. COLLISION
  8. SEPARATION
  9. CENTER BUILD UP FROM LEFT AND RIGHT
  10. CENTER BUILD UP FROM LEFT AND RIGHT (RANDOM OFF)
  11. DOOR CLOSING
  12. SPRING
  13. CRISS-CROSS (RANDOM OFF)
  14. CRISS-CROSS (SLOW OFF)
  15. CENTER BUILD UP FROM LEFT, THEN RIGHT
  16. CENTER BUILD UP FROM LEFT, THEN RIGHT (RANDOM OFF)
  17. PENDULUM
  18. 1 DOT WATER FLOW
  19. 1 DOT WATCH FLOW BACK AND FORTH
  20. 2 DOTS WATER FLOW
  21. 2 DOTS WATER FLOW BACK AND FORTH
  22. 3 DOTS WATER FLOW
  23. 3 DOTS WATER FLOW BACK AND FORTH
  24. 4 DOTS WATER FLOW
  25. 4 DOTS WATER FLOW BACK AND FORTH
  26. FADE IN, FADE OUT
  27. FLASHING (STROBE)
  28. FLASHING (STROBE) LEFT AND RIGHT
  29. FLASHING (STROBE) POLICE LIGHT
  30. ALTERNATE FADE IN AND OUT
  31. RANDOM ON, RANDOM OFF
  32. DISCO LIGHTS
Installing external controls
You can wire-out external controls by using the through-holes located at the top right corner of the circuit board.
Using a micro-controller;A "push" of the control buttons are simulated via an "active low" TTL signal from your micro-controller.
The connection should be kept "high" at 5v and a "low" level signal simulates a press of the switch.
Have a question? Find your answers at our "Frequently Asked Questions" page

4 pcs left

VERY LIMITED STOCK!:

‍‍‍‍‍‍‍‍‍‍‍‍‍‍‍"The LED Magician" has been discontinued for quite some time‍‍‍ now but we found a small quantity left nicely tucked away in a corner of our warehouse! For those who had sent us multiple emails regarding availability here's the chance to grab them before they are inevitably gone! Just $2.90 flat-rate shipping via registered (trackable) 7-14 days mail to anywhere in the world* and free-shipping within Singapore.

UPDATES